A simbologia pneumática é a linguagem universal usada para representar sistemas de ar comprimido em projetos industriais. Se você trabalha com automação, manutenção ou engenharia mecânica, entender a simbologia pneumática não é apenas útil — é essencial.
Neste guia completo, você vai aprender o que é simbologia pneumática, como interpretar diagramas, conhecer os principais símbolos e entender como tudo funciona na prática. Vamos direto ao ponto!
O Que é Simbologia Pneumática?
A simbologia pneumática é um conjunto padronizado de símbolos gráficos usados para representar componentes e circuitos pneumáticos em diagramas técnicos.
Esses símbolos seguem normas internacionais, principalmente a International Organization for Standardization (ISO), como a norma ISO 1219.

Sem essa padronização, cada fabricante poderia representar os componentes de maneira diferente — o que causaria confusão, erros e acidentes.
Por que ela é tão importante?
- Facilita a leitura de projetos
- Padroniza a comunicação técnica
- Reduz erros na instalação
- Ajuda na manutenção preventiva e corretiva
- Permite integração entre sistemas
Em resumo: quem domina simbologia pneumática domina a base da automação industrial.
Onde a Pneumática é Utilizada?
A pneumática está presente em praticamente todos os setores industriais:
- Indústria automotiva
- Indústria alimentícia
- Metalurgia
- Embalagens
- Linhas de montagem automatizadas
Empresas como a Festo e a SMC Corporation são líderes mundiais em componentes pneumáticos.
Componentes Básicos da Simbologia Pneumática
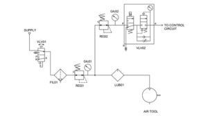
1. Fonte de Ar Comprimido

Representa o compressor ou rede de ar. É o ponto de início do sistema.
Função:
- Gerar energia pneumática
- Fornecer pressão constante
2. Unidade de Tratamento de Ar (FRL)

FRL significa:
- Filtro
- Regulador
- Lubrificador
Ela remove impurezas, regula pressão e lubrifica o ar.
Sem essa etapa, o sistema perde eficiência e durabilidade.
3. Válvulas Pneumáticas

As válvulas controlam o fluxo de ar. Elas são representadas por quadrados com setas internas.
Tipos comuns:
- 2/2 vias
- 3/2 vias
- 4/2 vias
- 5/2 vias
- 5/3 vias
O primeiro número indica o número de vias (portas).
O segundo indica o número de posições.
4. Atuadores Pneumáticos

Os atuadores transformam energia do ar comprimido em movimento mecânico.
Tipos:
- Cilindro simples ação
- Cilindro dupla ação
- Atuadores rotativos
Eles são o “músculo” do sistema.
5. Linhas e Conexões
Linhas contínuas indicam fluxo principal.
Linhas tracejadas indicam sinal de controle.
Saber diferenciar isso é crucial para interpretar corretamente o circuito.
Como Ler um Diagrama Pneumático
Ler um diagrama pode parecer complicado no início. Mas veja este passo a passo simples:
- Identifique a fonte de ar
- Localize a unidade FRL
- Encontre as válvulas de controle
- Observe o caminho do fluxo
- Analise o atuador final
Dica importante: sempre leia da esquerda para a direita e de cima para baixo.
Normas Técnicas da Simbologia Pneumática
A principal norma internacional é a ISO 1219.
No Brasil, também seguimos normas da Associação Brasileira de Normas Técnicas (ABNT).
Você pode consultar normas técnicas no site oficial:
https://www.iso.org
Erros Comuns ao Interpretar Símbolos
Muitos iniciantes cometem erros como:
- Confundir número de vias com número de posições
- Não observar posição normal da válvula
- Ignorar linhas de sinal
- Não verificar tipo de acionamento
Evitar esses erros aumenta sua eficiência profissional.
Vantagens de Dominar Simbologia Pneumática
✔ Melhor desempenho profissional
✔ Maior empregabilidade
✔ Capacidade de projetar sistemas
✔ Redução de falhas técnicas
✔ Mais segurança operacional
Diferença Entre Pneumática e Hidráulica
| Característica | Pneumática | Hidráulica |
| Fluido | Ar | Óleo |
| Pressão | Média | Alta |
| Velocidade | Alta | Média |
| Precisão | Média | Alta |
| Limpeza | Alta | Média |
Ambas usam simbologia específica, mas os símbolos diferem.
Simbologia Pneumática na Indústria 4.0
Com a digitalização industrial, os diagramas estão migrando para softwares CAD e sistemas digitais.
Hoje, muitos projetos são feitos em plataformas como:
- AutoCAD
- EPLAN
- SolidWorks
Isso torna a interpretação ainda mais importante.

Perguntas Frequentes (FAQ)
1. O que significa 5/2 em uma válvula pneumática?
Significa 5 vias e 2 posições.
2. A simbologia pneumática é universal?
Sim, segue normas ISO internacionais.
3. Qual a diferença entre cilindro simples e dupla ação?
Simples ação usa ar para um movimento. Dupla ação usa ar para ida e volta.
4. Posso aprender simbologia pneumática sozinho?
Sim, com estudo e prática é totalmente possível.
5. Qual a norma mais usada?
ISO 1219.
6. Pneumática é mais segura que hidráulica?
Em muitos casos, sim, pois usa ar e não óleo sob alta pressão.
Conclusão
A simbologia pneumática é a base da automação industrial moderna. Entender seus símbolos, normas e aplicações permite interpretar e criar sistemas eficientes e seguros.
Se você deseja crescer na área industrial, dominar simbologia pneumática é um passo fundamental.
Com prática e estudo contínuo, a leitura de diagramas se tornará algo natural para você.

